How to programm modchip?

Discussion in 'Modding and Hacking - Consoles and Electronics' started by pusikurac, Nov 21, 2013.

  1. pusikurac

    pusikurac Member

    Joined:
    Nov 21, 2013
    Messages:
    11
    Likes Received:
    0
    I cant find anywhere how to put code in modchip. I know how to make and connect everything but how to put code inside?
     
  2. rso

    rso Gone. See y'all elsewhere, maybe.

    Joined:
    Mar 26, 2010
    Messages:
    2,190
    Likes Received:
    447
    Hard to say without knowing what kind of modchip we're talking about. If you have the naked IC (e.g. for a PS1 mod), you need sth like this, if it's a complete PCB I can only tell you "it depends".
     
  3. bart_simpson

    bart_simpson Dauntless Member

    Joined:
    May 13, 2011
    Messages:
    768
    Likes Received:
    18
    You will need a pic programmer.
     
  4. master991

    master991 Enthusiastic Member

    Joined:
    Jun 4, 2012
    Messages:
    597
    Likes Received:
    28
    LOL
    Why spend 493€ when you can or buy more cheaper programmer, or build with some cent a very cheap 12F629 programmer, and burn mm3 on it.
    He only needs a programmer for this purpose... no?
     
  5. bennydiamond

    bennydiamond Gutsy Member

    Joined:
    Aug 24, 2011
    Messages:
    476
    Likes Received:
    180
    Simple enough.
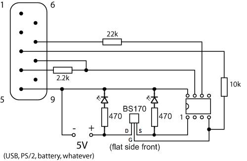
    simplejdmwithledsmj2.jpg

    The 2 LEDs are not necessary but useful so all you need is a PC Serial port, couple of resistors and a transistor. Use it to program 12f 8-pins PIC devices with WxPic software or anything similar (WinPic800...). You'll be able to program 12f508 and 12f629 chips with it.
     
  6. rso

    rso Gone. See y'all elsewhere, maybe.

    Joined:
    Mar 26, 2010
    Messages:
    2,190
    Likes Received:
    447
    lurn 2 reed guyse okey !

    I doubt OP will manage the lowtech solution without handholding, that is, if it even applies - since we still don't know what kind of mod he is talking about exactly, and this doesn't help at all with things like e.g. a commercial XBOX 360 RGH "chip".
     
  7. pusikurac

    pusikurac Member

    Joined:
    Nov 21, 2013
    Messages:
    11
    Likes Received:
    0
    I am talking about PS1 mod for SCPH-7502. I have MM3 hex and i have that schematichs from above. I just need software that i run on PC which will "upload" that hex trough programmer to the chip.
    I want to try with WinPic800 but how to use it?
    Thanks for all info so far :)
     
    Last edited: Nov 22, 2013
  8. bennydiamond

    bennydiamond Gutsy Member

    Joined:
    Aug 24, 2011
    Messages:
    476
    Likes Received:
    180
    If you use WinPic(800)/WxPic/... and built the programmer I referenced earlier, you need to select the appropriate COM port (under Windows) or tty device (in *nix) and select JDM programmer in the programmer list.

    Next select your microcontroller device in the list of supported device by the software. Load up the HEX, blank the chip and program it.

    Surely there are tutorial on how to use these softwares on the internet. These softwares are fairly sample to use, you have multiple tabs containing settings and info, make sure you check all tabs to set things right.
     
  9. pusikurac

    pusikurac Member

    Joined:
    Nov 21, 2013
    Messages:
    11
    Likes Received:
    0
    I have a problem. When I try to load HEX file i get this error:
    ERROR->then_path_of_hex_file
    Line 61
    Invalid adress for selected device
    Continue and truncate?
    yes/no

    I have 12f675 and I set JDM programmer on one and only COM1 and I set my chip type in program
    What to do?

    edit:
    if I click yes and try to program it i get this error
    ERROR -> Writing adress 0x000000
    Writen 0x0025 Read 0x3FFF
     
    Last edited: Nov 22, 2013
  10. Bad_Ad84

    Bad_Ad84 The Tick

    Joined:
    May 26, 2011
    Messages:
    8,566
    Likes Received:
    1,309
    12f675 isnt a chip for a PS1.

    If you are trying to program the PS1 modchip code to that chip - one its wrong, 2 judging from the error message, its probably too small of a chip for the size of the code.
     
  11. pusikurac

    pusikurac Member

    Joined:
    Nov 21, 2013
    Messages:
    11
    Likes Received:
    0
    I couldnt find 12f629 so seller gave me that one :(
    Can you give me a list of all chips that will do the job?
     
    Last edited: Nov 22, 2013
  12. Bad_Ad84

    Bad_Ad84 The Tick

    Joined:
    May 26, 2011
    Messages:
    8,566
    Likes Received:
    1,309
    12c508
    12c508a
    12c509
    12c509a
    Will work with pretty much anything. You can also get 12f629 for a port of the mm3 code
     
  13. pusikurac

    pusikurac Member

    Joined:
    Nov 21, 2013
    Messages:
    11
    Likes Received:
    0
    I don't understand what you want to say by port of the mm3 code :/ but i will try to get some of 12c50x tomorow and new ps1 because i destroyed this one :(
     
  14. pusikurac

    pusikurac Member

    Joined:
    Nov 21, 2013
    Messages:
    11
    Likes Received:
    0
    I have new problem.
    I just bought 9002 version that already has modchip. It is able to read original and backups. Original one is in color and backup isn't so I applied ntsc fix but its still black and white with backups and original is in color. What to do?
     
  15. Bad_Ad84

    Bad_Ad84 The Tick

    Joined:
    May 26, 2011
    Messages:
    8,566
    Likes Received:
    1,309
    Where to you live?

    If you are europe and your TV can handle RGB scart - buy yourself an RGB scart lead.
     
  16. pusikurac

    pusikurac Member

    Joined:
    Nov 21, 2013
    Messages:
    11
    Likes Received:
    0
    I live in europe and I use intex extern tv card for LCD monitor.
     
  17. Bad_Ad84

    Bad_Ad84 The Tick

    Joined:
    May 26, 2011
    Messages:
    8,566
    Likes Received:
    1,309
    And you did this?

    [​IMG]
     
  18. pusikurac

    pusikurac Member

    Joined:
    Nov 21, 2013
    Messages:
    11
    Likes Received:
    0
    yea I did that and its still no-color
     
  19. master991

    master991 Enthusiastic Member

    Joined:
    Jun 4, 2012
    Messages:
    597
    Likes Received:
    28
    You can use also 12F50x series. They work the same.
     
  20. pusikurac

    pusikurac Member

    Joined:
    Nov 21, 2013
    Messages:
    11
    Likes Received:
    0
    Thanks for info but 9002 came with modchip already so only problem now is black-white picture :)
     
sonicdude10
Draft saved Draft deleted
Insert every image as a...
  1.  0%

Share This Page