Audio Comparison of different SNES revisions.

Discussion in 'Modding and Hacking - Consoles and Electronics' started by MaxWar, Oct 30, 2013.

  1. MaxWar

    MaxWar <B>Site Supporter 2013</B>

    Joined:
    Aug 13, 2012
    Messages:
    1,486
    Likes Received:
    28
    I had wanted to do this for a while.

    I made proper comparative recordings of all the SNES console revisions I had.
    I do not have ALL the snes revisions but I compared the followings:

    SHVC-CPU-01
    CPU-GPM-01
    CPU-GPM-02
    1CHIP-03

    Files:
    All files are Flac.
    You can get the files here (~73mb): Seems the Skydrive public frontpage changed but go there and right click the SNES-SOUND-COMPARISON files and download, should work.
    https://skydrive.live.com/?cid=7b8cb6b4df2795b6&id=7B8CB6B4DF2795B6!185&action=Share


    Games Used:

    I used 3 songs in this comparison:
    FFVI Intro ( because its a nice song)

    Pocky and Rocky level 1 and Magic Sword Song #7
    I chose those because they are pretty bright sounding as far as SNES games go. The SNES typically sounds dark and muffled. I believe this is due to the 32khz sampling rate rather than an actual lowpass filter but I figured that it would be good to check for variance in higher frequency range. just in case.

    I also wanted to do Secret of Mana intro in the beginning but I got bored seeing how there is so little variation across the SNES.
    I might still do it in the future if there is demand for it.

    An interesting fact is that I could not get Pocky and Rocky to play on my 1CHiP-03. I believe there is a mysterious bug in the 1-chip consoles ( see thread here : http://www.digitpress.com/forum/showthread.php?166701-Pocky-and-Rocky-Glitch/page2



    Conclusions?

    Well, the SNES is quite boring, all revisions pretty much sound the same, unlike the Genesis.
    Still, I made some findings:

    CPU-GPM-01 and CPU-GPM-02 have a high pitch noise issue. This is quite audible and annoying when you know it is there.
    I tried with two different CPU-GPM-02 and One CPU-GPM-01 and all have the noise.
    This noise seems to vary on the game and what the console does. Also, it seems that wiggling the cartridge might modulate the noise somehow, which is a bit weird but might be a clue for an eventual fix.
    This also might account for discrepancies between different takes of my recordings. I tried recording same songs several times with the GPM-02 and the noise was not always as strong but it was always there and audible. Changing cables and playing around with them did not influence this.
    I used an official Nintendo AV cable, which is properly shielded.

    I even found samples of SNES music recorded by other people from real SNES consoles that exhibited the same noise.
    With all the tests I have made I am confident saying this is not an issue limited to my own consoles but is likely generalized on Consoles from the GPM series.

    Beside this noise on the GPM, honestly, I find all revisions to be pretty much equivalent. It seems that the Original SHVC has the sligtly better SNR than 1chip-03. But the 1Chip is very clean none the less.

    OF course I am missing the RGB-01 and RGB-02 as well as the APU and the mini but heh, not hunting for them atm. If I snatch one I might add it to this comparison.

    BottomLine:

    While all my SNES sound basically the same, some are noisier than others
    Noisiest CPU-GPM-0X > 1CHIP-03 > SHVC-CPU-01 Quietest

    If you have questions or record requests plz submit.
     
    Last edited: Oct 30, 2013
    smoke monster likes this.
  2. marvelus10

    marvelus10 Spirited Member

    Joined:
    Aug 16, 2011
    Messages:
    100
    Likes Received:
    11
    Pocky and Rocky played fine on my 1-CHIP-01. There has been debates on several forums on this matter with no conclusive reasons. Some people get it to work, like me, and some don't. I have been told it could be due to a weak power supply, however I have not tried to replicate it.
     
  3. MaxWar

    MaxWar <B>Site Supporter 2013</B>

    Joined:
    Aug 13, 2012
    Messages:
    1,486
    Likes Received:
    28
    This explanation does not make much sense to me.
    The 1chip is the precursor of the mini, and as all late ( slim ) consoles those typically use less power, not more.
    By opposition the SHVC-CPU-01 is a behemoth and the least integrated SNES. You would expect this one would need the most power.
    Yet it works great with the very same adapter I was using on my 1chip.

    Furthermore, if this was a PSU issue I expect the proplem would be more general and likelier to happen in game with extra components like Super FX games, and not only with the humble Pocky and Rocky.

    The hardware glitch explanation makes more sense. Seems that those with 1chip 01 had the least problems, if problems at all they had. The guy who started that thread had a 02.
    I am one of the few people active in those forums to have a 1chip 03 and the game just crashes at start screen whatever I try.
     
  4. micro

    micro Member

    Joined:
    Apr 25, 2013
    Messages:
    12
    Likes Received:
    1
    Yes, I know that problem with Pocky & Rocky 1.
    I was having the same problems with that game on my US SNES Mini console while it ran fine on other SNES consoles (PAL + US). A few years later I got my 2nd SNES Mini console and on that system I got no problems with Pocky & Rocky. Strange, isn't it....?
     
  5. armando92

    armando92 Member

    Joined:
    Sep 11, 2011
    Messages:
    8
    Likes Received:
    0
    interesting comparison, in my case i can say that both of my snes sounded exactly the same (NTSC SNS-CPU-RGB2 and a PAL SNS-CPU-GPM-02), even after recaping them.
    the only real diference in audio quality was when i installed a amplifier on my NTSC Console using a tda2822m connecting it to the DAC output and the cartridge port (mixing them using the same circuit that is on the schematic of the snes) and soldering the output of the amp to the pins 11 and 12 of the multiav (i also removed the two 10uF capacitors that connect those pins to the original amplifier).
    The result was that i got a better stereo separation and cleaner sound, it still needs some testing.

    here is a pic i took using my really bad cellphone camara, i used a old pcb because i was really lazy to actually do one xD and was big enough to replace the resistors and caps easily

    [​IMG]
     
    Last edited: Nov 1, 2013
  6. Helder

    Helder Site Supporter 2014,2015

    Joined:
    Apr 6, 2013
    Messages:
    981
    Likes Received:
    54
  7. armando92

    armando92 Member

    Joined:
    Sep 11, 2011
    Messages:
    8
    Likes Received:
    0
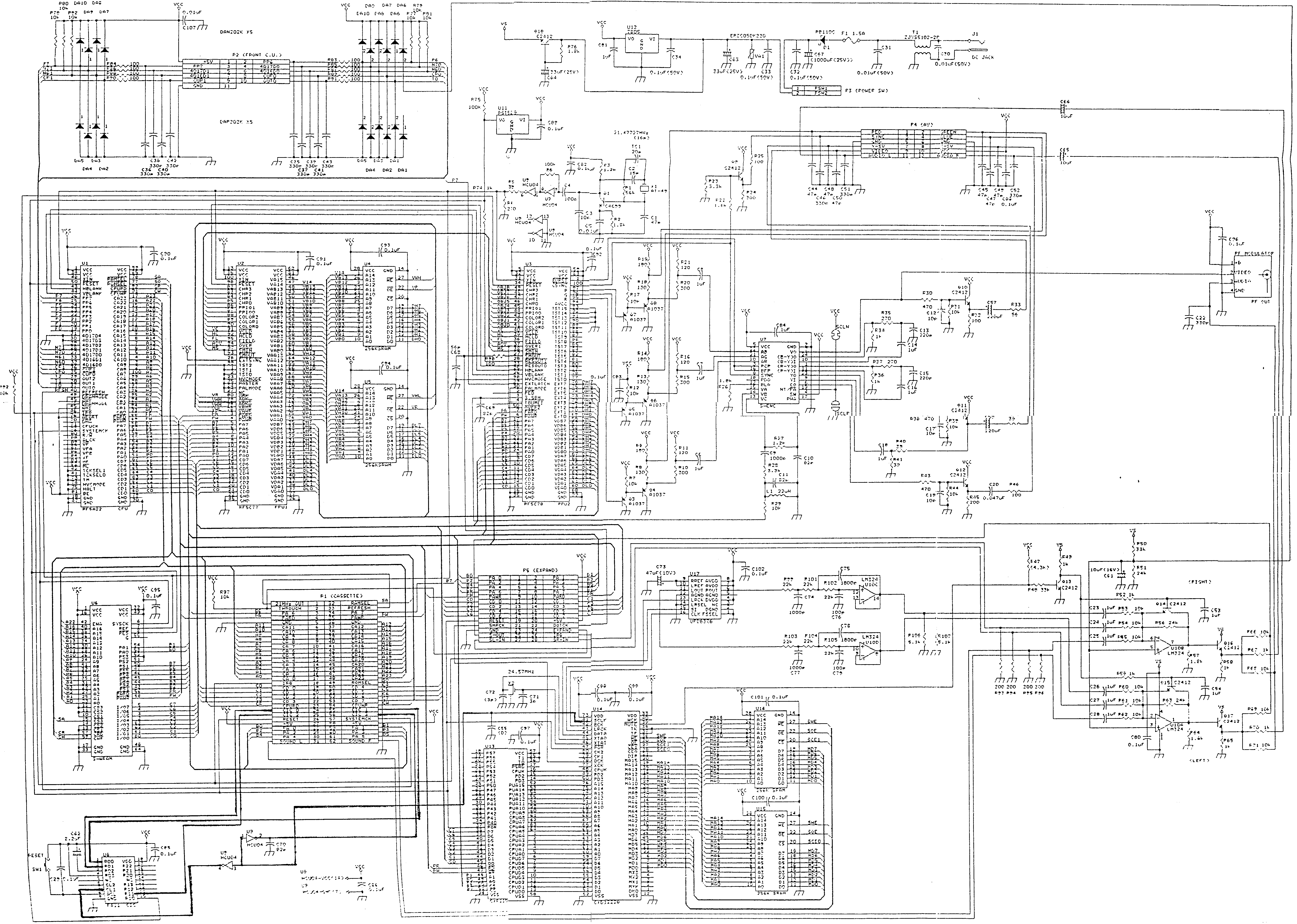
    i got the audio signals from the dac (in my case a UPD6379 http://console5.com/wiki/UPD6379 ) and pins 32 and 62 from the cartridge slot (i didnt bother getting the signals from the expand port since i doubt i will ever use it)
    for mixing signals, i used the same same design that is on the schematic of the snes (http://i.imgur.com/2XS6fLC.png). So each signal go through a 1uF capacitor and a 10k ohms resistor (in my case i only had 0.1uF capacitors and 100ohms resistors, it still worked fine).
    for the amplifier i used the schematic show in the datasheet, getting the power for it from the pin 1 of the LM7805, and wired the output of each channel to its respective channel in the multiav port. I also removed the two 10uF capacitor that connect pin 11 and 12 to the original amplifier signal (they appear like C65 and C66 in the snes schematic).
    and thats basically what i did to it, i didn't had too much time for testing but it works fine with a tv or a stereo system. The only problem i had was that when i tried to record some samples the signal volume at the output was too high.
    i will try draw a schematic for it and post it

    EDIT: here is a really poorly drawn schematic of what i did, http://img856.imageshack.us/img856/8605/5ue6.png and from there its connected at the amplifier using the stereo test circuit shown here http://html.alldatasheet.es/html-pdf/25057/STMICROELECTRONICS/TDA2822M/6503/4/TDA2822M.html

    Like i say, it still need some work getting the signal values right to get clean recordings but for using it with the tv or a home theater (at least in my case) works perfectly
     
    Last edited: Nov 2, 2013
  8. Sonny_Jim

    Sonny_Jim Enthusiastic Member

    Joined:
    Apr 29, 2012
    Messages:
    525
    Likes Received:
    31
    Did you use anything to analyse the signal or just your ears? No SNR calculations or anything like that?
     
  9. MaxWar

    MaxWar <B>Site Supporter 2013</B>

    Joined:
    Aug 13, 2012
    Messages:
    1,486
    Likes Received:
    28
    Nope, good old ears + a pair of reference monitor!
    And standardized recording methodology too.

    I dont need any other tool to detect the noise issue in the GPM-0X
    Nor did I need other tools to appreciate that the SHVC-CPU-01 has lowest noise floor.

    Agreed that there could be more precise tests and measurements to be done but I do not plan on digging that deep.
    For all practical purpose the SNES will all sound the same to all mortals minus the issues I pointed with the GPM which is noticeable.

    One test I could do though is an output strength test. In other words I could record the same song without using normalization and see if there is a difference in output volume of my consoles.
    This might be relevant as some sound systems might alter dynamics of the audio in function of the source volume.
     
  10. Sonny_Jim

    Sonny_Jim Enthusiastic Member

    Joined:
    Apr 29, 2012
    Messages:
    525
    Likes Received:
    31
    One word:

    Psychoacoustics

    Which is why you should use measurement equipment
     
  11. MaxWar

    MaxWar <B>Site Supporter 2013</B>

    Joined:
    Aug 13, 2012
    Messages:
    1,486
    Likes Received:
    28
    If you want to use measurements equipments, please do, you can download the samples up there.

    For the noise issues I do not need a any equipment to tell which of My SNES performs the BEST. Psychoacoustics will not change this as the noise is definitely not an illusion in this case.
    Listen by yourself, be my guest.
     
    smoke monster likes this.
sonicdude10
Draft saved Draft deleted
Insert every image as a...
  1.  0%

Share This Page