Reducing ripple current / Audio Noise in a consolized Game Gear.

Discussion in 'Modding and Hacking - Consoles and Electronics' started by MaxWar, Aug 19, 2013.

  1. MaxWar

    MaxWar <B>Site Supporter 2013</B>

    Joined:
    Aug 13, 2012
    Messages:
    1,486
    Likes Received:
    28
    Ok I need help finding clever ways to reduce Ripple/noise in the 5v power rail and audio output of my game gear.

    Im relatively new to this kind of stuff, I just got an oscilloscope very recently.

    To make this short I have a WIP game gear consolization project where I used Both VileTim's GGTV and SMSFM boards. So far everything works but I get really loud hum/buzz in my audio lines.

    The GG always had a somewhat audible Buzz, but ever since I mixed the SMSFM output to the GG sound lines its WAY worse.

    My oscilloscope detects noise in the 5v rail that goes as big as 100mv peak to peak. Ive been told this is quite alot.

    So far I got pretty good result by adding a very large filter cap on the 5v power line (3300 uf 6.3v ) . It really does take the edge out of the buzz, but there is still a good "hum" left. The larger the filter cap I use, the better the results but I dont think I could fit any larger cap in there...
    It does not seem to reduce the general maximum amplitude of the noise but I can see on the scope it smoothed some frequencies. Adding a 0,1 uf ceramic cap in parallel did not seem to help at all.

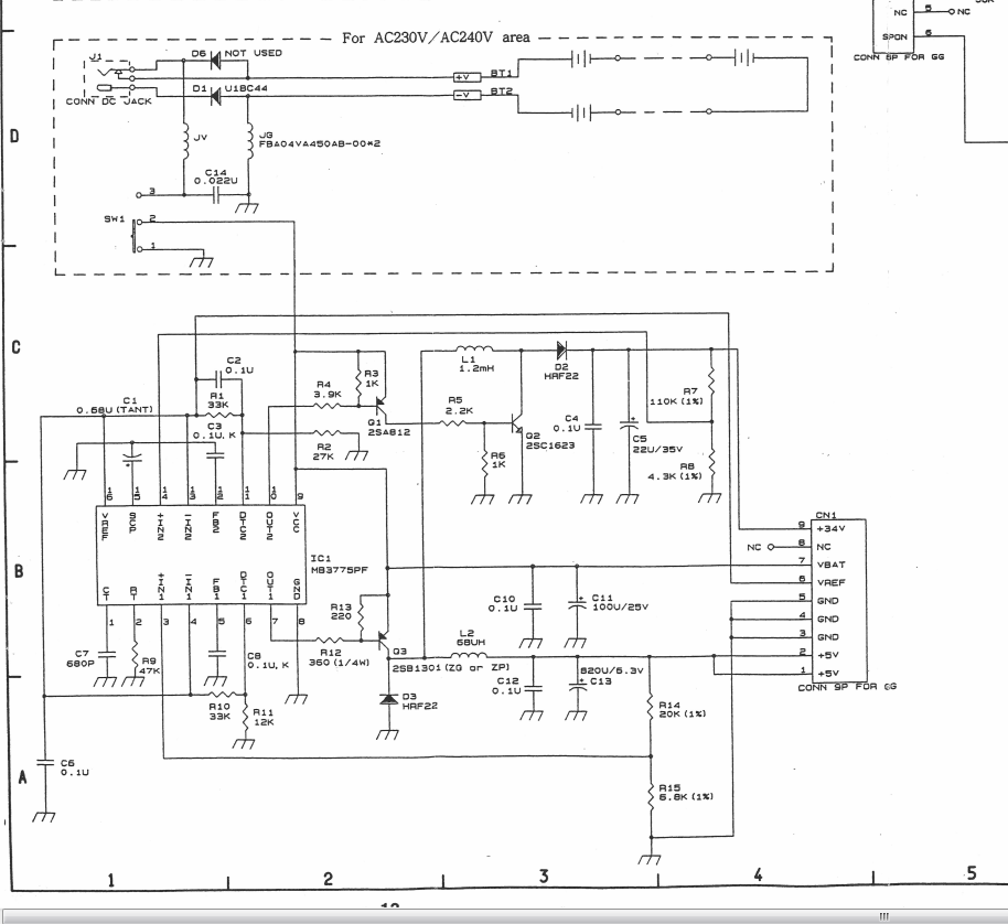
    Naturally Im using AC adapter, not batteries and the GG uses a switching powersupply and actually has 2 power rails (5v and 34v ). The 34v rail is useless to me I think because Im not using the backlight anymore. In fact I took the screen, light, ballast and all out of the console. Would removing the 35v rail help?? Not sure how I would go about that though. Here is the datasheet of the switcher the GG uses: http://www.alldatasheet.com/datasheet-pdf/pdf/197339/FUJITSU/MB3775PF.html

    Here's is the Power supply circuit of the GG ( out of the service manual)
    [​IMG]

    Im hoping you guys could give me tips and stuff. Consider me as Semi-noob, Im a self learned amateur but Ive gone a long way since I started working console electronics 3 years ago.
     
  2. ASSEMbler

    ASSEMbler Administrator Staff Member

    Joined:
    Mar 13, 2004
    Messages:
    19,394
    Likes Received:
    995
    Don't use the GG, provide it with clean 5vDC from your own board?
     
  3. RetroSwim

    RetroSwim <B>Site Supporter 2013</B><BR><B>Site Supporter 20

    Joined:
    Dec 10, 2012
    Messages:
    605
    Likes Received:
    26
    What's the frequency of the noise? That should give you a good clue where it's coming from. If it's a constant hum, you should be able to measure it quite easily with your scope.
     
  4. MaxWar

    MaxWar <B>Site Supporter 2013</B>

    Joined:
    Aug 13, 2012
    Messages:
    1,486
    Likes Received:
    28
    I had thought about ditching the GG power board and using a 7805 linear regulator instead. However I do not know if the Vref Is of any real use to the GG motherboard. The GG power pcb also has a soft Fuse that shuts everything down in case of surge or short. Which is kind of nice to have with all the heavy modding im doing on that thing :p So I was hopping that maybe I could keep the original PCB if I could, but that is still a good Idea none the less. If all else fails, I will certainly try this.
    After all, the main reason of using a switcher in there was to save battery power.

    There is an obvious 60hz component to the ripple. But overall the frequency range of the noise on the 5v is like a wall of sound.
    [​IMG]

    When I check the audio output though there is a much clearer pattern and the main spikes are exactly 60hz.

    [​IMG]
     

    Attached Files:

  5. AlexRMC92

    AlexRMC92 Site Supporter 2013

    Joined:
    Feb 12, 2013
    Messages:
    337
    Likes Received:
    28
    a quick and dirty fix would be to replace c14 with a larger value cap, or add more caps in parallel. Personally i would rebuild the inside of the GG AC adapter with a full wave rectifier and a better filter / regulator circuit.
     
  6. RetroSwim

    RetroSwim <B>Site Supporter 2013</B><BR><B>Site Supporter 20

    Joined:
    Dec 10, 2012
    Messages:
    605
    Likes Received:
    26
    Hmm, good call. The original GG AC adapter is probably an old linear beast.

    Maybe even replace the whole thing with a modern regulated power supply.
     
    Last edited: Aug 19, 2013
  7. MaxWar

    MaxWar <B>Site Supporter 2013</B>

    Joined:
    Aug 13, 2012
    Messages:
    1,486
    Likes Received:
    28
    I am using a standard original Genesis model 2 adapter to power the GG. Dont those things already contain a full wave rectifier???
    Would you use an electrolytic to replace C14 or just a larger ceramic?

    Anyway thanks for all the advices so far! Ill do more tests on the morrow!
     
    Last edited: Aug 19, 2013
  8. RetroSwim

    RetroSwim <B>Site Supporter 2013</B><BR><B>Site Supporter 20

    Joined:
    Dec 10, 2012
    Messages:
    605
    Likes Received:
    26
    I forgot that you guys have 60Hz mains, so I'd mentally discounted that as a source of your hum... :p
     
  9. TriMesh

    TriMesh Site Supporter 2013-2017

    Joined:
    Jul 3, 2008
    Messages:
    2,324
    Likes Received:
    750
    It's also the video frame rate on the GG - so it's a lot easier to tell them apart in a 50Hz country...
     
  10. MaxWar

    MaxWar <B>Site Supporter 2013</B>

    Joined:
    Aug 13, 2012
    Messages:
    1,486
    Likes Received:
    28
    Ok here's a summary of what I have done today. In two categories, had an effect on noise reduction or no effect.


    Had No or imperceptible effect on audio noise:
    -Adding Inductor on the main power line, right after the DC jack input. 1000uH to 3000uh. ( At 3000uh the onboard switcher would trip off )
    -Adding small value ceramic cap between unamplified audio line and ground and between +5v and ground.

    Did reduce some of the audio noise
    -Adding a 3300uf cap on the +5v rail where it connects to the mobo
    -Adding a 2200uf cap over the C14 cap in the above schematic
    -Adding an inductor ( 1000 uh) in series with the SMSFM +5v input ( using larger values would not help more )
    -Adding another big cap between SMSFM +5v input and ground ( right after the inductor )

    Well, its pretty nice because all this added up and got the noise down quite a bit, Id say its back to a similar level to how it was before I added the SMSFM. However it is STILL noisy. I guess what seems to work best so far is putting big caps on the power rails and inductors at strategic locations.
    Only problem is I wonder How ill fit all those big ass caps in the case lol...

    To give you an idea of the mess im working on here are some pics. I found this Game Gear in a trash can last year. Did some modding on it.
    [​IMG]

    [​IMG]
     
  11. Bad_Ad84

    Bad_Ad84 The Tick

    Joined:
    May 26, 2011
    Messages:
    8,566
    Likes Received:
    1,309
    You shouldnt leave long leads on caps like that.
     
  12. MaxWar

    MaxWar <B>Site Supporter 2013</B>

    Joined:
    Aug 13, 2012
    Messages:
    1,486
    Likes Received:
    28
    I know but Im making experiments at the moment, I will shorten them when My design get more certain. Also, I may need to leave some length to accommodates the caps inside the case once its closed. But then I will either protect the leads with shrink wrap or replace them by wire.
     
  13. Bad_Ad84

    Bad_Ad84 The Tick

    Joined:
    May 26, 2011
    Messages:
    8,566
    Likes Received:
    1,309
    Its not about them being protected, read something about long leads introducing noise - exactly what you are trying to stop. They should basically be as short as possible (i.e installed correctly as a through hole part)

    Surface mount should be replaced with surface mount, etc
     
  14. MaxWar

    MaxWar <B>Site Supporter 2013</B>

    Joined:
    Aug 13, 2012
    Messages:
    1,486
    Likes Received:
    28
    Cool, so when I get the noise to a decent level even using long leads, when I finish the design and make everything as short as possible it will only get better ;)
     
  15. MaxWar

    MaxWar <B>Site Supporter 2013</B>

    Joined:
    Aug 13, 2012
    Messages:
    1,486
    Likes Received:
    28
    Ok I made some more progress!

    I tried several things

    Things that did not seem to work.

    -Adding 1mH Inductor to +5v line of the Audio PCB of the GG. ( possibly minor benefit, I may give this a second try )
    -Adding 1mH inductor to ground of the Audio PCB of the GG ( I think this made it worse )
    -Adding inductor and or Big cap to the +5v input and/or unregulated power input of the GGTV board. ( changed nothing )


    Things that Worked.

    -Adding 0.1 uf Ceramic caps at the audio output. ( This shows more on the oscilloscope than in my ears but there was alot of very high frequency noise. The audio does not sound significantly more filtered in general, yet SNR is improved.
    -Adding Big cap on +5v input of the GG sound board ( helped a little, not much )
    -And now what probably made the nicest difference. Bridging the grounds between RCA Audio connectors and S-video connector.

    *Notes*
    -Disconnecting the video signal and leaving only audio reduces the noise quite a bit further. ( possibly a cue ? )
    -I checked the output of the Sega AC adapter with the scope. It makes a Very nice sawtooth ripple! ( about 60 mv peak to peak ).
    Then when it enters the GG it goes immediately through a Diode which smooths it out a ton.
    -Now something that really interests me; There is a volume for FM output on the SMSFM board. Initially most of the noise was reduced when I put that volume to minimum. Now it changes almost nothing to level of noise whether its maximum or lowest volume. This tells me that I fixed the SMSFM board section of most noise induction problems. The remaining noise comes from somewhere else in the circuitry.



    Ok to show you how far I have gone yet, here is a direct comparison of the Background audio noise before starting this thread Vs Now. This is with same oscilloscope setting ( 20mv/div ) and Same time/div.

    It went from Insane to normal. But maybe I can make it better still! To me that is the spirit of modding, always try to make it better :)

    Before:
    [​IMG]


    And Now:
    [​IMG]
     
  16. MaxWar

    MaxWar <B>Site Supporter 2013</B>

    Joined:
    Aug 13, 2012
    Messages:
    1,486
    Likes Received:
    28
    Here for an interesting development. I tried powering the GG with a battery pack instead of the AC adapter and it is just as noisy!

    So I guess the contamination does not come from 60hz from the main passing through the regulator.
    It must be the 60hz video signal?
    Or a ground loop from my tv?

    I know that If i disconnect video from the TV the noise gets much diminished.
     
  17. l_oliveira

    l_oliveira Officer at Arms

    Joined:
    Nov 24, 2007
    Messages:
    3,879
    Likes Received:
    245
    You know you don't need that horrible buck converter at all ! You're not using the screen so you don't need the 36V line. That GG cannot use the TV tuner either as it's a 1 chip unit.

    All it wants is 9V at the VBAT pin of the voltage connector (it's used to blink the power led when the battery is too weak) and 5V at the +5v line. :)

    Also I noticed you removed the flyback transformer for the cold cathode lamp, that saves a LOT of power and get rid of like half of the noise.

    Good stuff !
     
  18. TriMesh

    TriMesh Site Supporter 2013-2017

    Joined:
    Jul 3, 2008
    Messages:
    2,324
    Likes Received:
    750
    Especially since that PSU has a rather interesting topology - the power for the 35V boost converter is taken from the collector of the switching transistor in the 5V buck converter. I guess they did that so that if the 5V supply failed it would also kill the +35V line so that you didn't get the situation where the LCD had the bias supply turned out without a logic supply, but it's also a great way of injecting additional noise into the 5V line...
     
  19. CkRtech

    CkRtech Spirited Member

    Joined:
    Sep 10, 2014
    Messages:
    135
    Likes Received:
    34
    Hey MaxWar - Did you end up doing any additional work on this endeavor? I know this thread is rather old, but I am trying to gather some information on Game Gear modding. I put together a console Game Gear (GGTV from Tim) a couple of years ago, and then did a McWill screen mod about a year ago. I replaced the caps in each system due to the obligatory bad caps these Game Gears have, but I would also like to clean up the sound a bit.

    There was unfortunately quite a bit of damage to the sound board in my second Game Gear (McWill) due to the electrolytic fluid damage. I cleaned it up, repaired traces, and the sound is nice and loud - however, I get quite a bit of noise. I can even leave a game out of the system, turn it on, and hear noise regardless of where the volume pot is. It is possible that there is additional damage under the components, at or around the volume pot, etc, but your thread also has me wanting to make some improvements while I am back in there.

    I am also curious as to if you elected to trim back the power supply board a bit in terms of components since you don't use the old screen anymore.
     
  20. MaxWar

    MaxWar <B>Site Supporter 2013</B>

    Joined:
    Aug 13, 2012
    Messages:
    1,486
    Likes Received:
    28
    Hello. Sadly I never completely eliminated the background noise. This noise appeared when I added the FM board to the game gear.
    I managed to lower it by using caps and bridging ground points but I never got rid of it completely. I have not tried modding the power section yet but this is pretty much where I was at with the project. I put this project in the closet now as life carried me somewhere else but I sure hope to come back to it one day!
     
sonicdude10
Draft saved Draft deleted
Insert every image as a...
  1.  0%

Share This Page