huge Game Boy pirate cart

Discussion in 'Rare and Obscure Gaming' started by mdmx, Aug 15, 2010.

  1. Mystic_Merlin

    Mystic_Merlin Active Member

    Joined:
    Aug 19, 2010
    Messages:
    37
    Likes Received:
    27
    Yeah I was lucky on this one. Actually I bought the cart coz I was curious about the "160M" label and I noticed it was slightly heavier than the usual pirate.
    By the time this one was released, memory was less of an issue than it used to be in the early years so it was probably no longer needed to "cheat" the customer; although they could have made a 1 000 000 in 1 with this cart :p

    Ironically I do have a 999 999 in 1 cart for Famicom but to be honest I was not adventurous enough to browse through the entire menu! :lol:
     
  2. furrtek

    furrtek Member

    Joined:
    Feb 9, 2011
    Messages:
    5
    Likes Received:
    0
    Sorry for picking up a relatively old post, but ever since someone showed me those weird carts, I had to get one !

    This one came up on eBay 2 weeks ago:
    [​IMG]

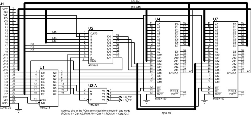
    Seems to be another (earlier) version from the same manufacturer: the exact same chips are used and there's also 4 spaces for ROMs, but no die spots for COBs. Those ROMs are 1MB 8/16bits stuck in byte mode, they're in a weird through-hole TSOP-looking package but have the same pinout as the 27C800's.

    Here's the schematic:

    [​IMG]

    As far as I can understand, the PAL can only differentiate 4 write ranges:
    $0000~$1FFF, $2000~$3FFF, $4000~$5FFF and $6000~$7FFF which are all in the ROM space.

    Some of the games included in the cart originaly used the MBC1 mapper to switch ROM banks.
    Since the biggest games are 128kB (8x 16kB banks), the PAL only "emulates" the lower 3 bits of the original $2000~$3FFF MBC1 range.
    Those are the IO1/2/3 outputs of the PAL going straight to the A16/A15/A14 of the ROMs (probably reversed to simplify the fusemap).

    The other write ranges match the ones for the RAM configuration of the MBC1 (which no included game use), so they're used for other things:

    One range clocks the 273 latch and is used by the menu for sure, selecting one of the 4 possible ROM chip (bits 4/5), the 128kB bank number in which the game's first bank is (bits 0~3), two other bits for the PAL to add a 16kB bank offset to pack games <128kB (bits 6/7).

    Not sure what the other 2 ranges do, maybe there's just only those 2.

    Will dump the menu code next week to see what bytes are latched to start each game.
     
    Last edited: Apr 21, 2011
  3. someone173

    someone173 Newly Registered

    Joined:
    Apr 16, 2011
    Messages:
    2
    Likes Received:
    0
    Gonna make my first post here.

    In contrast to a huge one, here's one the size of a GBA cart. Don't know if this cart is anything special in particular, but it's one of the more interesting bootleg GB carts I have.


    [​IMG]


    [​IMG]
     
    Last edited: Apr 19, 2011
  4. Bramsworth

    Bramsworth Well Known Member

    Joined:
    Jun 1, 2007
    Messages:
    1,746
    Likes Received:
    359
    I've got a GBC game in a GBA cart too. It wouldn't fit in a GBC though, would it? I've never tried it, but I would guess it's to trick people into thinking it's a GBA game when it really isn't.
     
  5. mdmx

    mdmx Familiar Face

    Joined:
    Nov 3, 2005
    Messages:
    1,300
    Likes Received:
    29

    it does probably fit into a GBC if you connect it to an Action Replay first.
     
  6. Trenton_net

    Trenton_net AKA SUPERCOM32

    Joined:
    Apr 13, 2007
    Messages:
    2,378
    Likes Received:
    58
    You guys sure your talking about GB? Because GBA multi-carts have the same amount of pins, and many feature emulators for classic systems which can be a little misleading.
     
  7. furrtek

    furrtek Member

    Joined:
    Feb 9, 2011
    Messages:
    5
    Likes Received:
    0
    Already saw some GBA-looking carts not having the milled plastic edges to make the GBA think it's a regular GB cart (the cart connector has a switch on the left side to detect cart types). No emulation, just GB roms. By looking at the picture, I bet it's the same thing.

    Real GBA carts are like this:

    [​IMG]

    That PCB also has the center hole for the screw normally found in GB carts, so it was clearly intended to be fitted in GB/CGB cart cases at first.

    (Edited that last schematic, ROMs are 2MB and writes to the PAL are just $2000 and $4000. The menu code is a mess and runs from RAM, but isn't voluntarily obfuscated.)
     
    Last edited: Apr 21, 2011
  8. takeshi385

    takeshi385 Mojarra Frita Bandit

    Joined:
    Mar 29, 2011
    Messages:
    1,856
    Likes Received:
    164
    neat i giant freakin' tower of a cart connected to your gameboy. that will sure get some laughs.
     
    Last edited: May 9, 2011
  9. Buyatari

    Buyatari Well Known Member

    Joined:
    Jul 31, 2004
    Messages:
    1,804
    Likes Received:
    164
    These are awesome !

    All you need now is to load it into a Gamegear and then into a memory card.

    I love that it has a custom case.
     
  10. davidwilliam

    davidwilliam Spirited Member

    Joined:
    Mar 12, 2013
    Messages:
    176
    Likes Received:
    4
  11. piplup10036

    piplup10036 Gutsy Member

    Joined:
    Sep 22, 2012
    Messages:
    490
    Likes Received:
    16
    Nice Set, I like how the 6 in 1 has a nice little snowflake on it : )
     
  12. davidwilliam

    davidwilliam Spirited Member

    Joined:
    Mar 12, 2013
    Messages:
    176
    Likes Received:
    4
    Thanks! I love that particular cart. Has Castlevania and Contra on there as well as some others
     
  13. sonicsean89

    sonicsean89 Site Soldier

    Joined:
    Dec 19, 2012
    Messages:
    2,207
    Likes Received:
    157
    How do you find a cartridge that big?

    Also I think it's 5 stars, not a snowflake (sorry)
     
  14. davidwilliam

    davidwilliam Spirited Member

    Joined:
    Mar 12, 2013
    Messages:
    176
    Likes Received:
    4
    Found mine in Sao Paulo. And yes it's 5 stars, if that really matters
     
  15. piplup10036

    piplup10036 Gutsy Member

    Joined:
    Sep 22, 2012
    Messages:
    490
    Likes Received:
    16
    Oh now I see the little stars :p Anyway, what games are on the 18 in 1 cart?
     
  16. Theguyatthekeyboard

    Theguyatthekeyboard Rising Member

    Joined:
    Jul 27, 2012
    Messages:
    73
    Likes Received:
    0
    I know. Sticking a regular gameboy game into a gameboy advance is stress inducing enough, but having THAT sucker sticking out just raises said stress level up a few hundred notches.
     
    Last edited: Mar 14, 2013
  17. sonicsean89

    sonicsean89 Site Soldier

    Joined:
    Dec 19, 2012
    Messages:
    2,207
    Likes Received:
    157

    Well at least if you put it in an original GB it'll be locked in.

    That's a plus
     
  18. alecjahn

    alecjahn Site Soldier

    Joined:
    Apr 23, 2008
    Messages:
    2,825
    Likes Received:
    9
    Bummer the GB Micro won't play GB/GBC... That would be a riot with one of those tall carts!
     
  19. InnocentSam

    InnocentSam Spirited Member

    Joined:
    Sep 26, 2012
    Messages:
    187
    Likes Received:
    2
    It looks like it'd make you look like you were holding a flat 80s phone.
     
  20. piplup10036

    piplup10036 Gutsy Member

    Joined:
    Sep 22, 2012
    Messages:
    490
    Likes Received:
    16
    Insert gameshark into GBA SP
    Insert huge Pirate cart into the gameshark
    Wait for connectors to snap.
     
sonicdude10
Draft saved Draft deleted
Insert every image as a...
  1.  0%

Share This Page