BIOS mod to boot DS from IDE

Discussion in 'Sega Dreamcast Development and Research' started by leetuser, Dec 14, 2014.

  1. leetuser

    leetuser Rising Member

    Joined:
    Jul 6, 2012
    Messages:
    64
    Likes Received:
    3
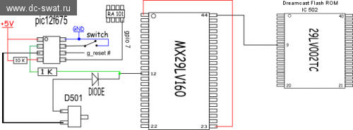
    Apparently there's a new bios available that allows you to load Dreamshell directly from the HDD instead of SD card. I've looked around on the SWAT site, but I can't seem to figure out what's going on. Here's the link to the thread on SWAT, but I don't understand Russian.

    Here's the thread on SWAT: http://www.dc-swat.ru/forum/thread-2217.html

    Here's a link to the instructions and diagrams to modify the bios mod to enable this: http://www.dc-swat.ru/blog/hardware/988.html

    [​IMG]
    [​IMG]


    This must be a VA2 motherboard in the above picture as I've got a VA0 and VA1 sitting in front of me. Here's a picture of my VA0 board (it's the same location on the VA1)
    [​IMG]
     
  2. Rocky5

    Rocky5 Site Supporter 2015

    Joined:
    Jan 17, 2014
    Messages:
    524
    Likes Received:
    95
    Confused about.
    "This must be a VA2 motherboard in the above picture as I've got a VA0 and VA1 sitting in front of me. Here's a picture of my VA0 board (it's the same location on the VA1)"

    whats the point of your image?
     
    Last edited: Dec 14, 2014
  3. leetuser

    leetuser Rising Member

    Joined:
    Jul 6, 2012
    Messages:
    64
    Likes Received:
    3

    The location of RA101 seems like a different location on the boards I have.
     
  4. GillBert

    GillBert Spirited Member

    Joined:
    Jul 26, 2012
    Messages:
    101
    Likes Received:
    39
    Both boards have the same layout. Perhaps you are confused because that pic from the tutorial has a magnified image (that one in a white circle)?
     
  5. leetuser

    leetuser Rising Member

    Joined:
    Jul 6, 2012
    Messages:
    64
    Likes Received:
    3
    Well.. Shit... How did I not notice that. I just thought it was circled.. I guess there's no reason for this thread now. I feel like an idiot.
     
    Last edited: Dec 14, 2014
  6. leetuser

    leetuser Rising Member

    Joined:
    Jul 6, 2012
    Messages:
    64
    Likes Received:
    3
    How do you flash pic12f675?
     
  7. GillBert

    GillBert Spirited Member

    Joined:
    Jul 26, 2012
    Messages:
    101
    Likes Received:
    39
    You have to get a cheap programmer like this one or if your PC has a RS232 serial port connector you can build your own.
     
    Last edited: Dec 17, 2014
  8. leetuser

    leetuser Rising Member

    Joined:
    Jul 6, 2012
    Messages:
    64
    Likes Received:
    3
    Thanks GillBert!
     
  9. megavolt85

    megavolt85 Peppy Member

    Joined:
    Jan 8, 2015
    Messages:
    311
    Likes Received:
    454
  10. retro

    retro Resigned from mod duty 15 March 2018

    Joined:
    Mar 13, 2004
    Messages:
    10,354
    Likes Received:
    822
    megavolt85 - I've approved your post as it was in the moderation queue. However, links to Russian websites with downloads as your first post are somewhat concerning.

    Please remember this is an English language forum, and explain your post more clearly (the "syscalls not worked" link seems to want you to log in, which English people aren't likely to do).

    If you understand Russian, could you explain the original thread? It seems nobody here understands it.
     
  11. Kappa

    Kappa Peppy Member

    Joined:
    Aug 12, 2014
    Messages:
    346
    Likes Received:
    35
    Am i right in thinking that this is a bios replacement to boot dreamshell w/o the use on a sd adapter as well ?
     
  12. kai

    kai Member

    Joined:
    Oct 7, 2012
    Messages:
    6
    Likes Received:
    2
    I think this is going to allow us to load dreamshell directly from the HDD if you have the IDE mod installed. So the SD card should not be needed if that is correct.
     
  13. Kappa

    Kappa Peppy Member

    Joined:
    Aug 12, 2014
    Messages:
    346
    Likes Received:
    35
    ahhhh, great i can finally put this dreamcast to use
     
  14. megavolt85

    megavolt85 Peppy Member

    Joined:
    Jan 8, 2015
    Messages:
    311
    Likes Received:
    454
    yes

    to do modes there is no need, BIOS undergoing testing of HOLLY will be ready soon
     
  15. megavolt85

    megavolt85 Peppy Member

    Joined:
    Jan 8, 2015
    Messages:
    311
    Likes Received:
    454
  16. Kappa

    Kappa Peppy Member

    Joined:
    Aug 12, 2014
    Messages:
    346
    Likes Received:
    35
    so burning that to a chip now makes booting from hdd work now ?
     
  17. megavolt85

    megavolt85 Peppy Member

    Joined:
    Jan 8, 2015
    Messages:
    311
    Likes Received:
    454
    yes
     
  18. axiommods

    axiommods Member

    Joined:
    Dec 28, 2012
    Messages:
    11
    Likes Received:
    0
    this is interesting. So now I have to make JDM programmer. I think i have to make one now.
     
  19. alex81

    alex81 Rising Member

    Joined:
    Mar 27, 2010
    Messages:
    74
    Likes Received:
    3
    You don't need programmer now.
    Now wee can flash boot_loader_unlock_G1.bios on dual bios mod and boot dreamshell directly from hdd w/out gd-rom drive and run game from hdd
     
  20. Bad_Ad84

    Bad_Ad84 The Tick

    Joined:
    May 26, 2011
    Messages:
    8,566
    Likes Received:
    1,309
    You should make it clear that there is a new bios that doesnt need the pic chip to work. As I dont really see it mentioned here.
     
    Last edited: Feb 9, 2015
sonicdude10
Draft saved Draft deleted
Insert every image as a...
  1.  0%

Share This Page